마찰 블록 마모 컨트롤
-
-
Other
Function
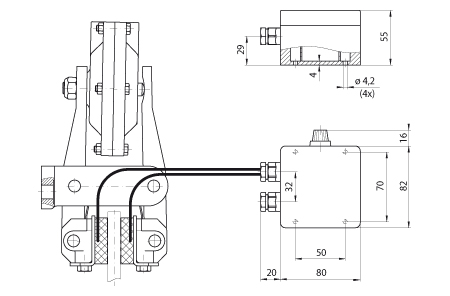
All brakes can be supplied on request with an electrical wear indicator which signals the limit of the friction block wear. The control lamp in the wear monitor indicates when the friction blocks need to be replaced. In addition, the output relay can trigger a signal in the central control station.
Friction Blocks with Signal Cable
Friction blocks with signal cable are used to monitor wear. Cable length 25 cm with plug connection.
-
Product information
-
도구

